- トップページ
- 製品情報
- 濃縮装置・ロータリーエバポレーター
- 蒸留・濃縮装置関連一覧表・情報
- N-2110R部品構成
関連装置・部品|小型ロータリーエバポレーター
Rotary Evaporator Parts
オートジャッキタイプ小型ロータリーエバポレーター部品構成
ノンフロン小型低温水循環装置(クールエース) |
低温恒温水槽 ユニエースバス |
| 製品コードNo. | 価格(税別) |
|---|---|
| 製品名/規格 | 対象機種 | 数量 | |
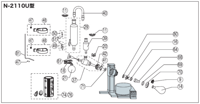
| 9 | アイラクリップ TS29 樹脂製 | N-1300・1210型用 | 2 |
| 11 | アイラクリップ TS45 | N-2110型用 | 1 |
| 14 | 試料フラスコ 2000mL TS29/38 | N-2110U・R型用 | 1 |
| 15 | 試料フラスコ 5000mL | N-2110型用 | 1 |
| 16 | 真空シール | N-1300型用 | 2組 |
| 18 | ポールジョイントクランプ S35 ステンレス製 | N-1300・1210・2110R型用 | 1 |
| 19 | ポールジョイントクランプ S35 | N-2110型用 | 1 |
| 20 | ポールジョイントクランプ S40 | N-2110U型用 | 1 |
| 21 | 受フラスコ 1000mL S35/20 | N-1300・1210・2110R・U型用 | 1 |
| 22 | 受フラスコ 3000mL S35/20 | N-2110型用 | 1 |
| 23 | 冷却器(縦型二重蛇管) | V・R型用 | 1 |
| 24 | 冷却器(縦型二重蛇管)アイラコート仕様 | V・R型用 | 1 |
| 29 | 下方式冷却器 | N-2110U型用 | 1 |
| 30 | 冷却器セット | N-2110型用 | 1 |
| 31 | 冷却器(縦型三重蛇管) | N-2110型用 | 1 |
| 32 | ノズルセット (GL25×ф14) | N-2110型用 | 2 |
| 36 | アダプター(ロータリージョイント一体型) | N-2110R型用 | 1 |
| 37 | アダプター(ロータリージョイント一体型) | N-2110U型用 | 1 |
| 38 | アダプター(ロータリージョイント一体型) | N-2110型用 | 1 |
| 39 | 拡散容器 | N-2110U型用 | 1 |
| 40 | 連結管 | N-2110U型用 | 1 |
| 41 | リングスプリング | 全機種共通 | 1 |
| 42 | キャップスクリュー | 全機種共通 | 1 |
| 43 | クーラー支え | N-1210T・2110R・2110型用 | 1 |
| 47 | セットネジ | N-1300・1210・2110縦型用 | 2 |
| 48 | クーラーホルダー | N-1300・1210・2110縦型用 | 1 |
| 49 | 冷却水ノズルセット(灰色) | N-1300・1210・2110R・U型用 | 2組 |
| 50 | ノズルセット(白) | N-1300・1210・2110R・U型用 | 3組 |
| 51 | ノズルパッキン※ | N-1300・1210・2110R・U型用 | 12 |
| 52 | ワンタッチコネクター | N-1300・1210・2110R・U型用 | 2組 |
| 53 | ワンタッチコネクター用パッキン | N-1300・1210・2110R・U型用 | 12 |
| 54 | ワンタッチホースノズル | N-1300・1210・2110R・U型用 | 2組 |
| 59 | 密栓 V型冷却器用 | N-1300V・1210V・2110R型用 | 1 |
| 60 | 密栓 E型冷却器用 | N-1300E型用 | 1 |
| 61 | キャピラリーTS19/38テフロン®チューブ | 全機種共通 | 1 |
| 62 | テフロン®パッキン | N-2110型用 | 1 |
| 63 | 真空シール | N-2110型用 | 1 |
| 64 | シールディフェンサー | N-2110R・U型用 | 1 |
| 65 | シールディフェンサー | N-2110型用 | 1 |
| 68 | ジョイントアダプター | N-2110R・U型用 | 1 |
| 69 | ソフトパッキン | N-2110R・U型用 | 1 |
| 70 | 試料フラスコ用キャップスクリュー | N-2110R・U型用 | 1 |
| 71 | 樹脂パッキン | N-2110R・U型用 | 1 |
| 72 | ストップバルブ | N-2110R型用 | 1 |
| 74 | 結露対策カバー | E・V・R・U型用 | 1 |
| 76 | 透明カバー | S・V・R・U型用 | 1 |
| 80 | テフロン®パッキン | N-2110R・U型用 | 1 |
| 81 | クーラー支え | N-2110U型用 | 1 |
※51より耐食性に強いノズルセット用バイトン®Oリング製品コードNo.202770とさらに耐食性に優れたパーフロ®Oリングもご用意しています。
メルマガ登録
新製品やキャンペーンなど、お得な情報をお届けします。
- トップページ
- 製品情報
- 濃縮装置・ロータリーエバポレーター
- 蒸留・濃縮装置関連一覧表・情報
- N-2110R部品構成



