- トップページ
- 製品情報
- 濃縮装置・ロータリーエバポレーター
- 蒸留・濃縮装置関連一覧表・情報
- N-1部品構成
関連装置・部品|小型ロータリーエバポレーター
Rotary Evaporator Parts
手動ジャッキタイプ小型ロータリーエバポレーター部品構成
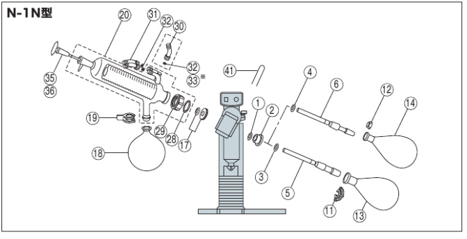
N-1型

ノンフロン小型低温水循環装置(クールエース) |
低温恒温水槽 ユニエースバス |
| 製品コードNo. | 価格(税別) |
| 製品名/規格 | 対象機種 | 数量 | |
| 1 | スリーブピン | N-1・2・4・1N・2N・3N・4N,NE-1S・1V・1T型用 | 2 |
| 5 | ロータリージョイント(272㎜ TS29/38) | N-1・N-1N・NE-1S型用 | 1 |
| 6 | ロータリージョイント(272㎜ TS24/40) | N-1・N-1N・NE-1S型用 | 1 |
| 7 | ロータリージョイント(178㎜ TS29/38) | N-2・4・2N・3N・4N,NE-1V・1T型用 | 1 |
| 8 | ロータリージョイント(178㎜ TS24/40) | N-2・4・2N・3N・4N,NE-1V・1T型用 | 1 |
| 11 | アイラクリップ(TS29) | 全機種共通 | 2 |
| 12 | アイラクリップ(TS24) | 全機種共通 | 2 |
| 13 | 試料フラスコ(1000mL TS29/38) | 全機種共通(V型を除く) | 1 |
| 14 | 試料フラスコ(1000mL TS24/40) | 全機種共通(V型を除く) | 1 |
| 17 | 真空シールセット | NE-1S・1V・1T型用 | 2組 |
| 18 | 受フラスコ(1000mL S35/20) | 全機種共通(V型を除く) | 1 |
| 19 | ボールジョイントクランプ | S35(ステンレス製) | 1 |
| 20 | 冷却器(横型二重蛇管) | N-1,N-1N,NE-1S型用 | 1 |
| 21 | 冷却器(縦型二重蛇管)※ | N-2,N-2N,NE-1V・1R型用 | 1 |
| 23 | 吸引栓 | 吸引栓付冷却器用 | 1 |
| 24 | 冷却器(縦型トラップ) | N-4,N-4N,NE-1T型用 | 1 |
| 28 | リングスプリング | N・N-N・NE型用 | 1 |
| 29 | キャップスクリュー | N・N-N・NE型用 | 1 |
| 30 | ノズルセット(白) | N・N-N・NE型用 | 3組 |
| 31 | 冷却水ノズルセット(灰色) | N・N-N・NE型用 | 2組 |
| 32 | ノズルパッキン | N・N-N・NE型用 | 12 |
| 33 | ノズルセット用バイトン®Oリング※ | N・N-N・NE型用 | 4 |
| 34 | アダプター | N-2・4,N-2N・4N,NE-1V・1T型用 | 1 |
| 35 | キャピラリー(TS19/38 テフロン®チューブ) | 全機種共通(V型を除く) | 1 |
| 36 | キャピラリー(TS19/40ガラス) | N-1,N-1N,NE-1S型用 | 1 |
| 37 | キャピラリー(TS19/40ガラス) | N-2・4・2N・4N,NE-1V・1T・1U型用 | 1 |
| 40 | アダプター支持具 | N-2・4・NE-1V・1T型用 | 1 |
| 59 | ディフェンサー | N-1・2・4,NE-1S・1V・1T型用 | 1 |
| 60 | アクションジャッキ(AJ型) | N-1・2・4型用 | 1 |
| 61 | スタンドベース(VS型) | N-1・2・4型用 | 終売 |
| 62 | ポジションフィッティングストッパー | N-1・2・4型用 | 1 |
※21の吸引栓タイプは生産中止となり、このタイプに切替っています。
※33よりさらに耐食性に強いパーフロ®Oリングもご用意しています。
※33よりさらに耐食性に強いパーフロ®Oリングもご用意しています。
| 製品コードNo. | 価格(税別) |
| 製品名/規格 | 対象機種 | 数量 | |
| 9 | ロータリージョイント(164㎜ TS29/38) | V型用 | 1 |
| 10 | ロータリージョイント(164㎜ TS24/40) | V型用 | 1 |
| 11 | アイラクリップ(TS29) | 全機種共通 | 2 |
| 12 | アイラクリップ(TS24) | 全機種共通 | 2 |
| 15 | 試料フラスコ(300mL TS29/38) | V型用 | 1 |
| 16 | 試料フラスコ(300mL TS24/40) | V型用 | 1 |
| 63 | 真空シールセット | V型用 | 1組 |
| 64 | ホースジョイントノズル | V型用 | 1 |
| 65 | V型用キャップスクリュー | V型用 | 終売 |
| 製品コードNo. | 価格(税別) |
| 製品名/規格 | 対象機種 | 数量 | |
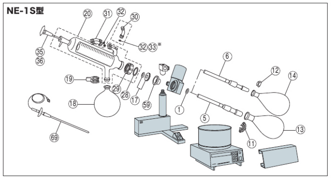
| 1 | スリーブピン | N-1・2・4・1N・2N・3N・4N,NE-1S・1V・1T型用 | 2 |
| 2 | フラスコ外しネジ | N-1N・2N・3N・4N型用 | 1 |
| 3 | ロータリージョイントリング(TS29) | N-1N・2N・3N・4N型用 | 2 |
| 4 | ロータリージョイントリング(TS24) | N-1N・2N・3N・4N型用 | 2 |
| 5 | ロータリージョイント(272㎜ TS29/38) | N-1・N-1N・NE-1S型用 | 1 |
| 6 | ロータリージョイント(272㎜ TS24/40) | N-1・N-1N・NE-1S型用 | 1 |
| 7 | ロータリージョイント(178㎜ TS29/38) | N-2・4・2N・3N・4N,NE-1V・1T型用 | 1 |
| 8 | ロータリージョイント(178㎜ TS24/40) | N-2・4・2N・3N・4N,NE-1V・1T型用 | 1 |
| 11 | アイラクリップ(TS29) | 全機種共通 | 2 |
| 12 | アイラクリップ(TS24) | 全機種共通 | 2 |
| 13 | 試料フラスコ(1000mL TS29/38) | 全機種共通(V型を除く) | 1 |
| 14 | 試料フラスコ(1000mL TS24/40) | 全機種共通(V型を除く) | 1 |
| 17 | 真空シールセット | NE-1S・1V・1T型用 | 2組 |
| 18 | 受フラスコ(1000mL S35/20) | 全機種共通(V型を除く) | 1 |
| 19 | ボールジョイントクランプ | S35(ステンレス製) | 1 |
| 20 | 冷却器(横型二重蛇管) | N-1,N-1N,NE-1S型用 | 1 |
| 21 | 冷却器(縦型二重蛇管)※ | N-2,N-2N,NE-1V・1R型用 | 1 |
| 22 | 冷却器(縦型二重蛇管アダプタ一体型)※ | N-3N型用 | 1 |
| 23 | 吸引栓 | 吸引栓付冷却器用 | 1 |
| 24 | 冷却器(縦型トラップ) | N-4,N-4N,NE-1T型用 | 1 |
| 28 | リングスプリング | N・N-N・NE型用 | 1 |
| 29 | キャップスクリュー | N・N-N・NE型用 | 1 |
| 30 | ノズルセット(白) | N・N-N・NE型用 | 3組 |
| 31 | 冷却水ノズルセット(灰色) | N・N-N・NE型用 | 2組 |
| 32 | ノズルパッキン | N・N-N・NE型用 | 12 |
| 33 | ノズルセット用バイトン®Oリング※ | N・N-N・NE型用 | 4 |
| 34 | アダプター | N-2・4,N-2N・4N,NE-1V・1T型用 | 1 |
| 35 | キャピラリー(TS19/38 テフロン®チューブ) | 全機種共通(V型を除く) | 1 |
| 36 | キャピラリー(TS19/40ガラス) | N-1,N-1N,NE-1S型用 | 1 |
| 37 | キャピラリー(TS19/40ガラス) | N-2・4・2N・4N,NE-1V・1T・1U型用 | 1 |
| 38 | クーラー支え棒 | N-2N・3N・4N型用 | 1 |
| 39 | クーラーホルダー | N-2N・3N・4N型用 | 1 |
| 41 | ストップピン | N-1N・2N・3N・4N型用 | 1 |
※21・22の吸引栓タイプは生産中止となり、このタイプに切替っています。
※33よりさらに耐食性に強いパーフロ®Oリングもご用意しています。
※33よりさらに耐食性に強いパーフロ®Oリングもご用意しています。
| 製品コードNo. | 価格(税別) |
| 製品名/規格 | 対象機種 | 数量 | |
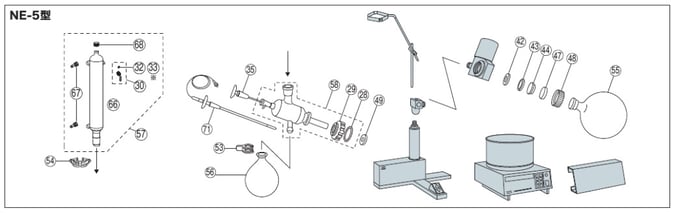
| 1 | スリーブピン | N-1・2・4・1N・2N・3N・4N,NE-1S・1V・1T型用 | 2 |
| 5 | ロータリージョイント(272㎜ TS29/38) | N-1・N-1N・NE-1S型用 | 1 |
| 6 | ロータリージョイント(272㎜ TS24/40) | N-1・N-1N・NE-1S型用 | 1 |
| 7 | ロータリージョイント(178㎜ TS29/38) | N-2・4・2N・3N・4N,NE-1V・1T型用 | 1 |
| 8 | ロータリージョイント(178㎜ TS24/40) | N-2・4・2N・3N・4N,NE-1V・1T型用 | 1 |
| 11 | アイラクリップ(TS29) | 全機種共通 | 2 |
| 12 | アイラクリップ(TS24) | 全機種共通 | 2 |
| 13 | 試料フラスコ(1000mL TS29/38) | 全機種共通(V型を除く) | 1 |
| 14 | 試料フラスコ(1000mL TS24/40) | 全機種共通(V型を除く) | 1 |
| 17 | 真空シールセット | NE-1S・1V・1T型用 | 2組 |
| 18 | 受フラスコ(1000mL S35/20) | 全機種共通(V型を除く) | 1 |
| 19 | ボールジョイントクランプ | S35(ステンレス製) | 1 |
| 20 | 冷却器(横型二重蛇管) | N-1,N-1N,NE-1S型用 | 1 |
| 21 | 冷却器(縦型二重蛇管)※ | N-2,N-2N,NE-1V・1R型用 | 1 |
| 23 | 吸引栓 | 吸引栓付冷却器用 | 1 |
| 24 | 冷却器(縦型トラップ) | N-4,N-4N,NE-1T型用 | 1 |
| 25 | 冷却器(縦型下方二重蛇管) | NE-1U型用 | 1 |
| 26 | 拡散容器 | NE-1U型用 | 1 |
| 27 | 連結管 | NE-1U型用 | 1 |
| 28 | リングスプリング | N・N-N・NE型用 | 1 |
| 29 | キャップスクリュー | N・N-N・NE型用 | 1 |
| 30 | ノズルセット(白) | N・N-N・NE型用 | 3組 |
| 31 | 冷却水ノズルセット(灰色) | N・N-N・NE型用 | 2組 |
| 32 | ノズルパッキン | N・N-N・NE型用 | 12 |
| 33 | ノズルセット用バイトン®Oリング※ | N・N-N・NE型用 | 4 |
| 34 | アダプター | N-2・4,N-2N・4N,NE-1V・1T型用 | 1 |
| 35 | キャピラリー(TS19/38 テフロン®チューブ) | 全機種共通(V型を除く) | 1 |
| 36 | キャピラリー(TS19/40ガラス) | N-1,N-1N,NE-1S型用 | 1 |
| 37 | キャピラリー(TS19/40ガラス) | N-2・4・2N・4N,NE-1V・1T・1U型用 | 1 |
| 40 | アダプター支持具 | N-2・4・NE-1V・1T型用 | 1 |
| 42 | テフロン®パッキン | NE-1R・1U・5型用 | 1 |
| 43 | 真空シール | NE-1R・1U・5型用 | 1 |
| 44 | シールディフェンサー | NE-1R・1U・5型用 | 1 |
| 45 | ジョイントアダプター(TS29/38) | NE-1R・1U型用 | 1 |
| 46 | ジョイントアダプター(TS24/40) | NE-1R・1U型用 | 1 |
| 47 | ソフトパッキン | NE-1R・1U・5型用 | 1 |
| 48 | 試料フラスコ用キャップスクリュー | NE-1R・1U・5型用 | 1 |
| 49 | 樹脂パッキン | NE-1R・1U・5型用 | 1 |
| 50 | アダプター(ロータリージョイント一体型) | NE-1R型用 | 1 |
| 51 | ストップバルブ | NE-1R型用 | 1 |
| 52 | アダプター(ロータリージョイント一体型) | NE-1U型用 | 1 |
| 53 | ボールジョイントクランプ | NE-1U・5型用 | 1 |
| 54 | アイラクリップ(TS45) | NE-1U・5型用 | 1 |
| 55 | 試料フラスコ(5000mL) | NE-5型用 | 1 |
| 56 | 受フラスコ(3000mL S35/20) | NE-5型用 | 1 |
| 57 | 冷却器セット | NE-5型用 | 1 |
| 58 | アダプター(ロータリージョイント一体型) | NE-5型用 | 1 |
| 59 | ディフェンサー | N-1・2・4,NE-1S・1V・1T型用 | 1 |
| 66 | 冷却器(縦型三重蛇管) | NE-5型用 | 1 |
| 67 | ノズルセット(GL25×φ14) | NE-5型用 | 2 |
| 68 | 密栓(スクリューナット) | GL25 | 1 |
| 69 | べーパーセンサー | NE-1S型用 | 終売 |
| 70 | べーパーセンサー | NE-1V・1T型用 | 終売 |
| 71 | べーパーセンサー | NE-1R・5型用 | 終売 |
| 72 | べーパーセンサー | NE-1U型用 | 終売 |
※21の吸引栓タイプは生産中止となり、このタイプに切替っています。
※33よりさらに耐食性に強いパーフロ®Oリングもご用意しています。
※33よりさらに耐食性に強いパーフロ®Oリングもご用意しています。
メルマガ登録
新製品やキャンペーンなど、お得な情報をお届けします。
- トップページ
- 製品情報
- 濃縮装置・ロータリーエバポレーター
- 蒸留・濃縮装置関連一覧表・情報
- N-1部品構成













